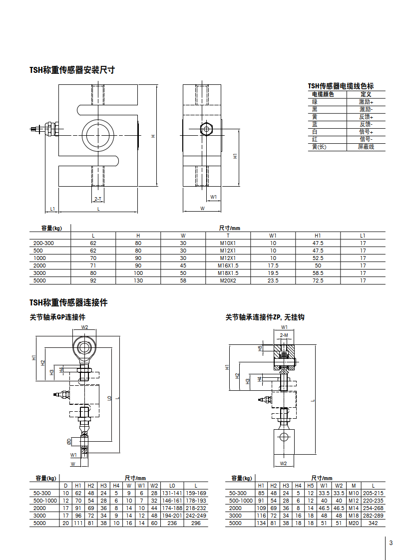
称重传感器
TSH系列称重传感器
应用案例推荐
RECOMMENDED CASES
-
湖南麻辣王子食品有限公司年产25万吨正宗辣条产业园汽车衡项目 -
光大环保能源(永州)有限公司汽车衡项目 -
富强科技建材产业园汽车衡项目 -
常德城发新材料三元矿区600万吨骨料项目汽车衡+一码通计量管理系统 -
中央储备粮临澧直属库二期仓储汽车衡项目 -
岳阳塔市驿港物流有限公司物流园二期汽车衡项目 -
岳阳城陵矶新港有限公司场内集卡转运汽车衡项目 -
湘阴县军粮供应有限公司粮库升级改造汽车衡项目 -
湖南紫荆新材料科技有限公司年产2万吨高端装备及高品质轨道交通零部件铸造加工汽车衡项目 -
湖南岳化化工股份有限公司45万吨年PA6汽车衡项目 -
湖南鑫政新材料科技有限公司年产30万吨再生铝、铝合金型材和铝合金模板汽车衡项目 -
湖南湘佳牧业股份有限公司50万饲料汽车衡项目






